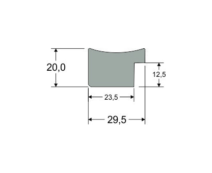
Perfil:5888
Decorado:7334
Ancho (mm):29,5
Alto (mm):20,0
Altura Rebajo(mm):12,5
Adorno:no
Acabado:blanco