¿Ha olvidado su usuario y/ó contraseña? Quiero registrarme

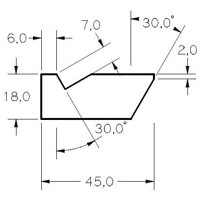
Referencia: 41.4073/12-Z


dibujo_4073gr
INFO

Perfil:4073

Decorado:12

Ancho (mm):45,0

Alto (mm):18,0

dibujo_4073

Adorno:no

Acabado:sindecorar

Metros:

CALIDAD B
Torcidas

4073-12

CONDICIONES PARA LA COMPRA DE OFERTAS DE CALIDAD B (2ª CALIDAD):

No se admitirán devoluciones de estas molduras. Precisamente por esta razón, el pedido mínimo es de tan solo de un paquete, con la idea de que usted pueda comprobar las condiciones en las que está la moldura.

Los precios de oferta son ex-works por lo que al importe resultante se deberá añadir el importe del porte correspondiente. Consulte con nuestro departamento de ventas para obtener un presupuesto aproximado del mismo.

Al tratarse de finales de serie, las ofertas solo serán válidas hasta la liquidación del stock.